-     
详细信息
湖北恒田环境科技有限公司成立于2016年2月25日,主营以色列COM品牌系列:以色列COM品牌RO膜、以色列COM品牌UF超滤膜、以色列COM品牌EDI、以色列COM品牌盘滤。
以色列COM品牌,作为水务技术的代表,其技术源于以色列水务企业-Mekorot。Mekorot以其清洁创新技术,在水务领域享有盛誉。
Mekorot的水技术,每年为近5000个客户提供超过15亿立方米的供水服务,覆盖700万终端用户。公司运营超过3000个系统,涵盖给水、水质监控、基础设施、污水净化、海水淡化、雨水收集等多个领域。同时,Mekorot还管控着800个泵站、1200口地下水井、2400个水泵,以及总长12000公里的大直径管网,拥有750个混凝土和钢结构水库以及90个地表水库。
在污水处理与回用方面,Mekorot同样具备此的技术。为应对以色列水资源短缺的挑战,公司致力于要善处置污水,并将符合标准的出水利用于农业灌溉。目前,Mekorot每年处理1.6亿立方米的污水,占以色列污水总量的35%,其中85%的污水经过深度处理后可用于无限制的农业灌溉。未来,公司计划将这一数值提高到90%以上。
Mekorot始终站在水技术研发的前沿。凭借超过70年的经验、知识和储备技术,公司不断推动水务技术的创新与发展。同时,Mekorot还运营着一个水技术中心--WaTech,该中心致力于孵化下一代可能改变世界水资源结构的技术。
随着中国水技术的快速发展,拥有Mekorot技术的以色列COM品牌正式进入中国市场。凭借优良的水技术,以色列COM品牌致力于成为中国水技术的榜样,为中国水务行业的发展贡献自己的力量。
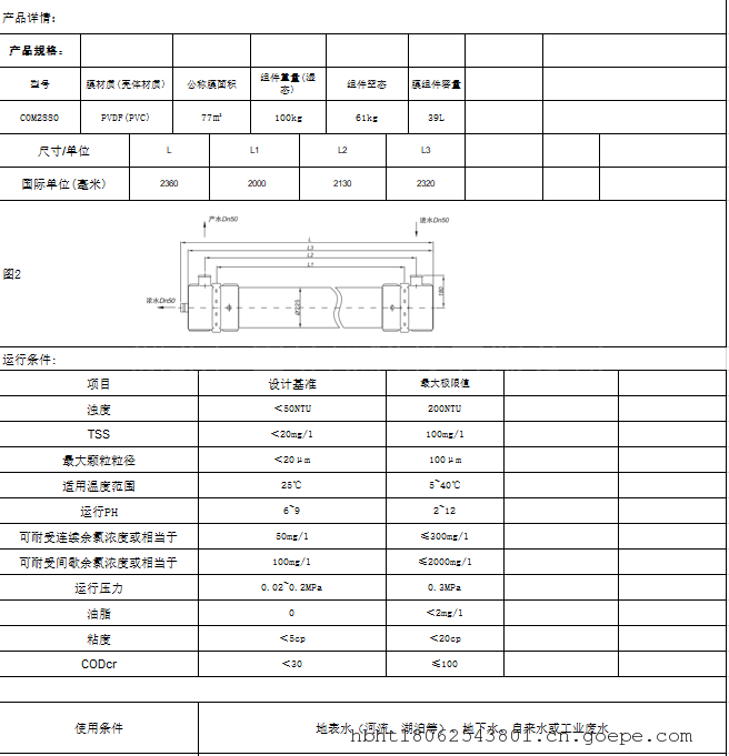
产品名称:以色列COM品牌超滤膜 COM2880
产品介绍:COM2880超滤膜元件,采用聚偏氟乙烯(PVDF)材料,有良好的亲水性,抗污染性能强;采用不易堵塞的外压式结构,具有更大的过滤面积,使清洗更简便、彻底。
筛分孔径小,溶质分子量为20万道尔顿或者溶质尺寸大小为0.005~0.1微米左右,可截留细菌、胶体、大有机分子、油脂、蛋白质、悬浮物等。 
- 
产品搜索
 - 
产品分类
 



